工字鋼電纜滑車選型資料
2021-06-11 11:33
已有人瀏覽
分類IHM
產品工字鋼電纜滑車選型資料
尺寸
長度
價格按需求定價
電話 0510-85581001
本公司成立于2000年,是一家生產銷售滑觸線,電纜滑車,工字鋼滑車,集電器廠家,金屬原材料,板材加工等多元化的廠家。其中滑觸線,電纜滑車,工字鋼滑車,集電器產品遍及全國各大鋼廠,水廠,電廠,港口,起重機并出口印尼、馬來西亞、非洲等國。咨詢熱線:0510-85581001
詳情介紹
上一篇:沒有了
下一篇:工字鋼電纜滑車




















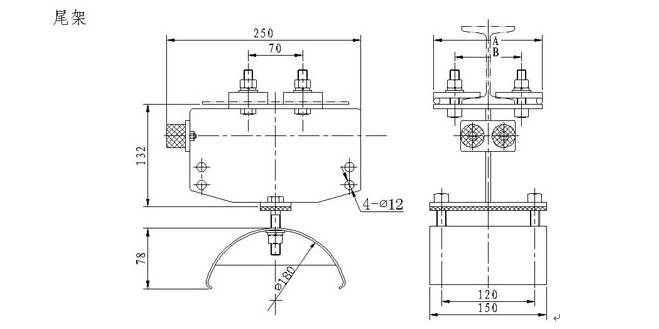
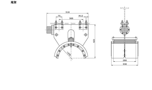
工字鋼電纜車IHM20正
工字鋼電纜滑車IHM30側
工字鋼電纜滑車IHM30正
工字鋼滑車